| Sign In | Join Free | My spintoband.com |
|
Brand Name : Liocrebif
Model Number : LKF-MIOC
Certification : GJB 9001C-2017
Place of Origin : China
MOQ : 1
Price : 5000-25000CHY
Payment Terms : T/T
Supply Ability : 10000
Delivery Time : 2-4 weeks
Packaging Details : Wooden box/Cardboard box/Container
Color&Classification : LKF-MIOC
Brand : LIOCREBIF
Module Type : Gyroscope
Origin Place : China
Application : Fiber optic gyroscope
Output Format : RS422
Multi-Functional Integrated Optics Chip (MIOC) includes a linear polarizer, acts as polarizer and depolarizer; a Y-branch waveguide, acts as optical power splitter and combiner. Multi-Functional Integrated Optics Chip (MIOC) has the characteristics of high reliability, low insertion loss, high polarization extinction ratio. Micro-electronic and micro-optical processes, and fiber pigtail precision alignment are taken in the MIOC. Other wavelength band or package type can also be customized.
Technical Specification
| 1550nm MIOC | |
| Wavelength Band | 1550±20nm |
| Insertion Loss | ≤3.5dB |
| Insertion Loss Change | 0.3dB @ full temperature |
| Splitting Ratio | 50±1.5% |
| Splitting Ratio Change | 2% @ full temperature |
| Return Loss | ≤-55dB |
| Residue Intensity Modulation | ≤5/10000 |
| Tail Fiber PER | ≤-30dB @room temperature ≤-30dB @full temperature |
| Half Wave Voltage | ≤3.5V |
| Slope of Modulation Waveform | ≤1/250 |
| Bandwidth | ≥300MHz |
| Tail Fiber | PM Fiber, ф125μm, ф80μm, L=1.2m |
| Package | See package type R, P |
| Working Temperature | -45 ~+70℃ |
| Storage Temperature | -55 ~ +85℃ |
| 1310nm MIOC | |
| Wavelength Band | 1310±20nm |
| Insertion Loss | ≤3.5dB |
| Insertion Loss Change | 0.35dB @ full temperature |
| Splitting Ratio | 50±2% |
| Splitting Ratio Change | 3% @ full temperature |
| Return Loss | ≤-55dB |
| Residue Intensity Modulation | ≤5/10000 |
| Tail Fiber PER | ≤-30dB @room temperature ≤-30dB @full temperature |
| Half Wave Voltage | ≤3.5V |
| Slope of Modulation Waveform | ≤1/250 |
| Bandwidth | ≥300MHz |
| Tail Fiber | PM Fiber, ф125μm, ф80μm, L=1.2m |
| Package | See package type Q, E, T, U |
| Working Temperature | -45 ~+70℃ |
| Storage Temperature | -55 ~ +85℃ |
| Product code | Wavelength [nm] | Input pigtail | Output pigtail | Axis Alignment | Package Type |
| YRCL03 | 1550 | 125/250 PM | 80/165 PM | Fast | R |
| YRCL04 | 1550 | 125/250 PM | 80/165 PM | Slow | R |
| YRLL03 | 1550 | 80/165 PM | 80/165 PM | Fast | R |
| YPLL03 | 1550 | 80/165 PM | 80/165 PM | Fast | P |
| YPCL03 | 1550 | 125/250 PM | 80/165 PM | Fast | P |
| Product code | Wavelength [nm] | Input pigtail | Output pigtail | Axis Alignment | Package Type |
| YQCL01 | 1310 | 125/250 PM | 80/165 PM | Fast | Q |
| YQCL02 | 1310 | 125/250 PM | 80/165 PM | Slow | Q |
| YQLL01 | 1310 | 80/165 PM | 80/165 PM | Fast | Q |
| YECL01 | 1310 | 125/250 PM | 80/165 PM | Fast | E |
| YECL02 | 1310 | 125/250 PM | 80/165 PM | Slow | E |
| YECL05 | 1310 Perfect | 125/250 PM | 80/165 PM | Slow | E |
| YTCL01 | 1310 | 80/165 PM | 80/165 PM | Fast | T |
| YUCL01 | 1310 | 80/165 PM | 80/165 PM | Fast | U |
Low Insertion Loss
High Polarization Extinction Ratio
Small Temperature Dependent Loss
High Electro-optic Phase Modulation Linearity
High Reliability
Fiber Optic Gyroscope (FOG)
Fiber Optic Current Transformer (FOCT)
Other Fiber Optic Sensing

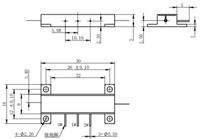
Fig.1 Dimensions Of 1550nm MIOC
R Type

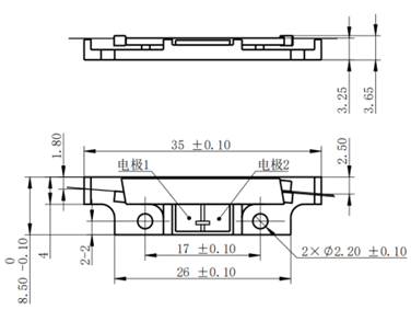
P Type

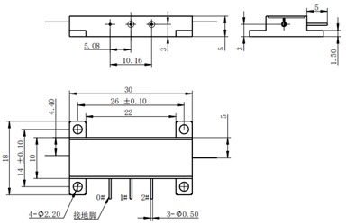
Fig.2 Dimensions Of 1310nm MIOC
Q Type

U Type

E Type

R Type

T Type

P Type

|
|
Multi Functional FOG Components MIOC Optoelectronic Devices Customized Integrated Optics Chip Images |